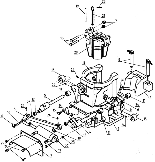
|
Поз. |
Обозначение |
Наименование |
Кол. |
|
1 |
65101 |
Корпус спайдера |
1 |
|
2 |
65102 |
Дверца спайдера |
1 |
|
3 |
65103 |
Штроп |
1 |
|
4 |
65104 |
Коленвал левый |
1 |
|
5 |
65105 |
Коленвал правый |
1 |
|
6 |
65106 |
Рычаг подъемный |
2 |
|
7 |
65108 |
Предохранительное устройство |
1 |
|
8 |
65114 |
Штифт с цепью |
2 |
|
9 |
|
Гайка М16-7G.8.NF ГОСТ Р 50273-92 |
4 |
|
10 |
65122 |
Зажим |
2 |
|
11 |
СПГ75.000.124 |
Втулка |
4 |
|
12 |
СПГ50.000.125 |
Втулка |
2 |
|
13 |
65126 |
Распорка |
2 |
|
14 |
65135 |
Защелка |
1 |
|
15 |
СПГ75.000.136 |
Ось |
1 |
|
16 |
65136-01 |
Ось |
1 |
|
17 |
65136-02 |
Ось |
1 |
|
18 |
|
Болт М16-6gх90.109.016 ГОСТ 7798-70 |
4 |
|
19 |
65601 |
Шплинт |
4 |
|
20 |
СПГ120.622 |
Корпус клина |
1 |
|
21 |
65652-2 |
Вкладыш 2⅞” (73 мм) |
1 |
|
22 |
|
Болт М12x20. 58. 016 ГОСТ 7798-70 |
4 |
|
23 |
|
Гайка самоконтрящаяся DIN 985 - М12 |
2 |
|
24 |
|
Масленка 1.3.Ц6 ГОСТ 19853-74 |
6 |
|
25 |
|
Шплинт 4x40-001 ГОСТ 397-79 |
4 |
|
26 |
992161-06 |
Штифт конический |
4 |
|
27 |
65140 или 65140-63 |
Цилиндр |
1 |
Республика Башкортостан,г. Октябрьский, ул. Кызыл маяк, дом 55/б